
Bubble tea, also known as bubble milk tea, boba tea, pearl milk tea, boba juice, or simply boba, refers to a Taiwanese tea-based drink that was initially invented in Tainan and Taichung in the 1980s. Most of the bubble tea recipes consist of tea base mixed with milk or fruit, to which balls (pearls, bubbles, or boba) and fruit jelly are often added.
Popping boba is a kind of boba, first hand-made in Taiwan and widely welcomed around the world after mechanized production.
The world’s first popping boba production line was developed and designed by Sinofude for a Taiwanese food company. This production line means the beginning of the fully automated production of popping boba. Until now, Sinofude CBZ series popping boba production line has been upgraded for 5 generations.

Why do you need a popping boba production line?
Global Bubble Tea Market was valued at USD 596.79 million in 2021 and is expected to reach USD 1,119.56 million by 2029, registering a CAGR of 7.70%during the forecast period of 2022-2029. With the hot development of the bubble tea market, the demand for raw materials is also increasing, the capacity of handmade cannot be satisfied. Fully automatic popping boba production line is the only solution.

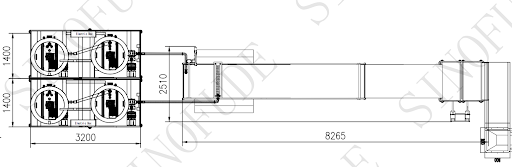
How the popping boba production line works?
The molding principle of popping boba is the solidification reaction of sodium alginate and calcium. The core material containing calcium are put into the depositor hopper of the popping boba production line, while the sodium alginate solution is circulated in the forming tank below the hopper. The core material will drip into the sodium alginate solution through the movement of the ram to form popping boba

Why choose Sinofude popping boba production line?
Sinofude’s popping boba production line has a history of 20 years, we are the first manufacturer to do popping boba production line, popping boba production line is our independent research and development. After 20 years of sales and commissioning. The popping boba production line has undergone 5-6 upgrades. We have introduced advanced technology from Europe and the United States to greatly improve the processing technology level of existing products. Ensure that every part and appearance of the popping boba production line meets high quality requirements: high-power laser cutting can process more complex parts; high-end laser welding, friction welding machines, and pipe welding machines ensure that the welding is firm and beautiful, without hygienic dead ends, Let your popping boba production line lead the peers and occupy the market; CNC sawing machine, CNC wire cutting improve processing efficiency and parts accuracy; CNC machining center, CNC inclined rail lathe, CNC drilling machine, CNC gantry milling machine and other high-end processing equipment, not only guarantee the parts It also greatly improves the performance of the product, so that the products made by the popping boba production line are beautiful and beautiful. durable. give you the greatest advantage.






